Relé de sobrecorrente digital com ecrã LED de 3×3 dígitos TRM-200

SKU: TRM-200

148,07 

5 em estoque

Descrição

Relé de corrente trifásico para controlo / limitação da corrente de carga na gama de 90-200 A, fabricante TENSE (Turquia)

Os relés digitais de sobrecorrente TRM-200 foram concebidos para proteger as cargas contra danos causados por correntes elevadas, permitindo simultaneamente a monitorização do funcionamento.

- 90-200 A (valor de sobrecorrente ajustável)
- Assimetria de corrente fixa de 50%
- Tempo de atraso de erro ajustável
- Modo de operação ajustável (automático, semi-automático, manual)
- Quando você compra um relé de corrente da marca TENSE, você recebe um dispositivo pronto para uso - transformadores de corrente incluídos.


Utilização do dispositivo e princípio de funcionamento

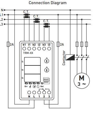
  1. Ligar o aparelho de acordo com o esquema elétrico.
  2. Quando a cablagem estiver completa, ligue a alimentação. Após a ligação, o ecrã apresenta os valores definidos durante 5 segundos.
  3. Utilizar o controlador "A>" para definir o valor de sobreintensidade. O valor definido é apresentado no ecrã esquerdo.
  4. Utilize o controlador "t" para definir o tempo de atraso. O valor ajustado é igualmente indicado no ecrã esquerdo.

Quando o aparelho é ligado:
- O relé liga-se, o contacto de saída passa para o borne 3 e o indicador OUT acende-se.
- Se a corrente ultrapassar o valor de sobreintensidade ajustado (A>), o aparelho inicia a contagem decrescente do tempo de atraso e o indicador ERR acende-se.
- Decorrido o tempo ajustado, o relé desliga-se, o contacto passa para o borne 1 e o indicador OUT apaga-se.


Descrição

O relé eletrónico de corrente da série TRM-200 foi concebido para desligar automaticamente os aparelhos quando a corrente máxima admissível é ultrapassada.
Tem uma gama de comutação programável, tempo de atraso e definições de tempo de retorno.
Existem 3 modos de retorno à condição de funcionamento - MANUAL, SEMI-AUTOMÁTICO, AUTOMÁTICO.


Modos de reposição:

- Modomanual: Após uma falha de sobreintensidade, o dispositivo deve ser reposto premindo o botão Reset. Neste modo, o LED correspondente acende-se.
- Modo Semi-Automático: O sistema reinicializa-se automaticamente três vezes após um defeito de sobreintensidade, aguardando depois uma reinicialização manual no próximo defeito. Neste modo, o LED correspondente está aceso.
- Modo automático: O sistema reinicia automaticamente após cada defeito de sobreintensidade. Neste modo, o LED correspondente está aceso.

Nota: Para mudar de modo, mantenha premido o botão SELECT durante 10 segundos. Quando o modo é alterado, o indicador LED correspondente acende-se.


Assimetria 50% (fixo)

Se a diferença entre a maior e a menor corrente de fase exceder 50%, o dispositivo entra no modo de erro de assimetria no espaço de 2 segundos.
(Isto evita danos no sistema no caso de uma falha de fase durante o funcionamento do motor).

Durante um erro de assimetria:
- O grupo do ecrã das duas fases que causaram a falha piscará e o indicador ERR acender-se-á.
- Para regressar do modo de erro de assimetria, o dispositivo deve ser reposto manualmente.


Parâmetros técnicos:

- Tensãode funcionamento: 150-260 VAC.
- Frequência de funcionamento: 50/60 Hz
- Consumo de energia: < 6 VA
- Temperatura de funcionamento: -20 °C a +55 °C
- Ecrã: 3x3 dígitos, 5 LEDs
- Regulação de sobreintensidade (A>): 90-200 A
- Tempo de atraso: 1 s - 200 s
- Tipo de ligação: terminal
- Contactos: 5 A / 250 V AC (carga ativa)
- Diâmetro do fio: 2,5 mm²
- Peso: máx. 250 g
- Montagem: em calha DIN
- Altitude de funcionamento: < 2000 m


Nota:Os TRM-50, TRM-100, TRM-200 e TRM-300 só podem ser utilizados com os transformadores de corrente incluídos no fornecimento.

O TRM-400 pode ser utilizado com o transformador de corrente 400/5 fornecido com o TRM-400.

Básico

Fabricante

Tense

País de fabrico

Turquia

Tipo de instalação

Montagem em calha DIN

Número de contactos de expansão

1 unid.

Número de contactos de comutação

1 unid.

Secção transversal dos fios ligados

2,5 mm²

Material da caixa

Plástico

Vista

Sim

Peso

250 g

LED On/Off

Sim

"LED "Sobrecarga

Sim

Nível de proteção IP

30

Vida útil

10 anos

Especificações técnicas

Número de fases

3

Tensão nominal de funcionamento AC

220V

Corrente nominal

5A

Corrente nominal

3W

Temperatura mínima de funcionamento

-20 graus

Temperatura máxima de funcionamento

55 graus.

Dimensões gerais

Comprimento

85 mm

Altura

75 mm Altura

Largura

44 mm

Caraterísticas do utilizador

Tempo de atraso

1 s - 200 s

Instalação

DIN+parafusos

Gama

90-200 A