|
Relé de monitorização de sobreintensidades TRM-30F com ecrã, trifásico até 25A
Foi concebido para proteger os equipamentos sensíveis aos valores de corrente e tensão de funcionamento contra os erros que podem ocorrer devido a:
- sobrecarga de corrente (valor de corrente ajustável 0,5 ...30 A)
- assimetria de corrente (50 %, valor fixo)
- assimetria de tensão (30 %, valor fixo)
- sobretensão e subtensão (Umin: 265 V, Umax: 440 V, valor fixo)
O relé de sobrecarga digital TRM-30F com visor permite visualizar a corrente em cada fase e proteger o motor ou o aparelho contra sobrecorrente, sobretensão, subcorrente, falha de fase e inversão de fase. Estes relés de sobrecarga digitais foram concebidos para evitar danos no motor/carga provocados por correntes elevadas, permitindo simultaneamente monitorizar no visor a corrente que circula em cada fase. Também são capazes de verificar os valores de tensão acumulados entre as fases.
Graças aos dois relés de saída (1x NA, 1x NF), é também possível controlar ou desligar a carga quando é atingido um valor nominal de sobreintensidade, ou ligar um contacto de sinalização ao sistema de controlo. Os relés digitais TRM-xx têm transformadores de corrente incorporados e um display de 3x3 dígitos para indicação da corrente.
Aplicação e princípio de funcionamento
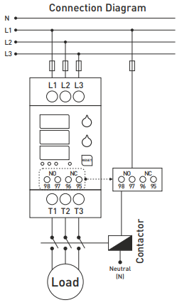
- Ligar o aparelho de acordo com o esquema de ligação. Uma ligação incorrecta pode danificar o aparelho.
- Ajustar a sobreintensidade do aparelho através do comando ">A" em função da corrente de funcionamento da carga a controlar.
- Quando a alimentação é ligada, o valor de sobreintensidade ajustado aparece no ecrã superior e o tempo de espera do erro no ecrã central no primeiro segundo.
- Os valores reais das correntes das fases são visualizados após um segundo de funcionamento e o LED de indicação acende-se.
- Quando o botão "V/A/RESET" é premido, são visualizados os valores da tensão combinada entre as fases.
Accionadores
- "A>"- definição da sobrecarga admissível; o valor é visualizado no ecrã superior.
- "seg."- regulação do tempo de espera do defeito de sobreintensidade; o valor é visualizado no ecrã central.
Estado dos contactos
- Dispositivo desenergizado ou em condição de falha: NA aberto, NF fechado.
- Dispositivo energizado e sem falha: NA aberto, NF aberto.
LED de indicação
- LED "V"- acende-se em caso de erro de sobretensão/subtensão ou de assimetria de tensão.
- LED "A"- acende-se em caso de corrente elevada ou erro de assimetria de corrente.
- LED "XI"- acende-se quando a sequência de fases é incorrecta.
- LED "NOR"- acende quando o dispositivo está energizado e o sistema está livre de erros.
Função do botão "V/A/RESET
- Reset:premir durante 3 segundos elimina o erro, o LED "A" apaga-se, o contacto NA liga-se, o contacto NF abre-se.
- V/A:uma pressão breve comuta a visualização entre os valores de corrente e de tensão.
Proteção e princípio de funcionamento
1. proteção contra sobreintensidades (0,5-30 A):
- Entrada em estado de falha: quando a sobrecorrente definida é excedida, o tempo definido é aguardado. O ecrã de fases pisca, o LED "A" está aceso, NA aberto, NF fechado, LED NOR apagado.
- Saída da condição de erro: corrente inferior ao valor nominal, premir reset durante 3 segundos.
2. Proteção contra a assimetria de corrente:
- Entrada: diferença de corrente entre fases >50%, aguardar 3 segundos, ecrã pisca, LED "A" aceso.
- Saída: diferença <50%, premir reset durante 3 segundos.
3. Proteção contra sobretensão (U>440 V):
- Entrada: tensão >440 V, aguardar 3 segundos, ecrã pisca, LED "V" aceso.
- Saída: tensão <435 V durante 3 segundos.
4. Proteção contra subtensão (U<265 V):
- Entrada: tensão <265 V, espera 3 segundos, o ecrã pisca, o LED "V" acende-se.
- Saída: tensão >270 V durante 3 segundos.
5. Proteção contra assimetria de tensão:
- Entrada: diferença de tensão >30%, espera 3 segundos, o ecrã pisca, o LED "V" acende-se.
- Saída: diferença <30% durante 3 segundos.
6. Proteção da sequência de fases:
- A ligação incorrecta de uma fase acende o LED "XI".
Cálculo da assimetria de corrente
O instrumento calcula a assimetria de acordo com a fórmula:

Exemplo:((25 - 15) / 25) × 100 = 40% de assimetria de corrente.
Especificações técnicas
- Tensão de alimentação: tensão medida 3f 3x400 VAC
- Tensão de funcionamento (Un): 3x380 VAC 50/60 Hz, potência própria <10 VA
- Sobrecorrente ajustável (Sobrecarga): 0,5-30 A
- Tempo de espera de falha (t): 0-20 s
- Ecrã: 3x3 dígitos, 9 mm de altura, 7 LEDs de indicação
- Sobretensão: 440 V (L-L)
- Subtensão: 265 V (L-L)
- Assimetria de tensão: 30%
- Assimetria de corrente: 50%
- Tempo de espera para erro de assimetria: 3 s
- 2x relés de saída (1x NA, 1x NF): 3 A / 250 V AC (carga resistiva)
- Tipo de ligação: terminais de parafuso
- Secção transversal do cabo: 2,5 mm² (contactos de relé) / 6 mm² (cargas de entrada e saída para medição)
- Peso: máx. 380 g
- Montagem: em trilho DIN
- Temperatura de funcionamento: -20°C ... +55°C
- Altitude de funcionamento: <2000 m
|