Aspirators / Fans
Measuring Instruments
Cam Switches / Toggle Switches
Empty Plastic Enclosures
Heating, ventilation, cooling
Lighting fixtures, LED Bulbs
Optical and Acoustic Signaling
Terminal Blocks
Compensation Components
Instrument Current Transformers
Level Controllers
Protocol Converters
Sockets, Plugs, and Extensions
Temperature Regulators and Sensors
Protection Relay
Time Relays
Description
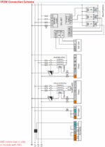
12 Steps + TCR Power Factor Controller with 2.9″ Graphic LCD Display (TENSE)
The RGT-12E reactive power controller (TENSE) is a fully automatic device for optimal switching of compensation stages.
The digital processing of the values measured by the regulator ensures high accuracy in the evaluation of the effective voltage, current and power factor.
The installation of the device is fully automatic – the controller itself determines the size of the individual connected compensation stages. These parameters can also be entered directly manually.
The controller switches the compensation stages on and off so that the reactive power is regulated with a minimum number of switching operations. At the same time, the controller takes into account the even loading of the individual stages and preferentially switches those stages that have been de-energized for the longest period of time and for which the residual charge is minimal. During the regulation process, the compensation stages are continuously monitored in parallel – failures and changes in values are detected, temporarily removed stages are periodically tested and, if necessary, they are put back into the regulation process.
-
Generator input and generator compensation
-
Hit, discharge and settling times can be set
-
Single-phase, two-phase and three-phase capacitor and shunt reactor can be connected
-
Harmonic voltage and current can be observed up to 31st harmonics
-
Total energy can be monitored (import/export)
-
THD-V and THD-I values of each phase can be observed
-
Create power analysis (20 samples 9999 min.) – for capacitor selection
Technical data
Installation: on the front panel
Mounting hole: 140 mm x 140 mm
Connection type: plug-in clamp
Fixing: plug for socket: Fixing: clamping yoke
