RGT-12SVC - Controlador de potência reactiva de 12 níveis +TCR com RS485 ModBus RTU

SKU: RGT-12(SVC) EAN: 632556185803

302,22 

2 em estoque

Descrição

Controlador de potência reactiva RGT-12 SVC - 12 passos + SVC, LCD, RS485 MODBUS RTUdimensões147 × 147 mmfabricanteTENSE (Turquia)

Descrição do dispositivo

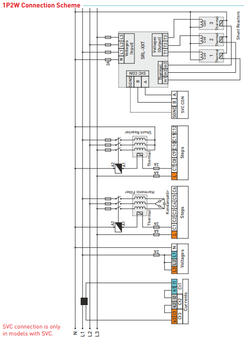
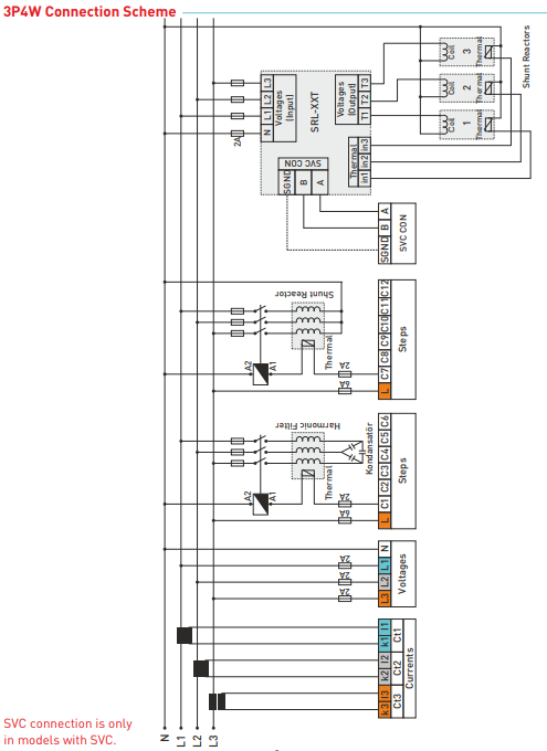
O RGT-12 SVCé umcontroladorde compensação de potência reactivatrifásica de 12 passoscom ecrã LCD gráfico, compatível comSVC (Compensação VAR Estática).

  • É utilizado paracompensar tanto a potência reactiva indutiva como a capacitiva.

  • Se a energia reactiva indutiva for proveniente da rede → o controlador liga condensadores.

  • Se a energia reactiva capacitiva vier da rede → o controlador liga um indutor de derivação.

  • Reduz eficazmente o rácio entre a energia indutiva e capacitiva e optimiza o fator de potência.

  • Permiteuma compensação eficiente por degraus para sistemas desequilibrados.

O que é o SVC (TCR)?

O SVCé um sistema de compensação de potência reactiva estática comreactores controlados por tiristoresque permiteuma compensação suave e rápida da potência capacitivano sistema.

Principais caraterísticas

  • 12 saídas de relé + saída SVC (TCR)

  • Pode ser utilizado com um ou três transformadores de corrente

  • Ecrã LCD de 2,9"+ 17 indicadores LED para fácil configuração e controlo

  • RS485 MODBUS RTU- controlo remoto, compatível com SCADA

  • Saída de relé programável separada para alarmes (sobretensão, harmónicos, cosφ)

  • Proteção por palavra-passepara definições de parâmetros

  • Indicação dos níveis de compensação ligados

  • Ajuste automático e manual dos valores dos condensadores

  • Controlo do funcionamento uniforme dos vários níveis

  • Regulação do tempo de reação a alterações, tempo de descarga e ativação dos escalões

  • Compensação de componentes indutivos e capacitivos

  • Contadores de energia ativa/reactiva incorporados (importação/exportação)

  • Visualização de até 31 harmónicos de tensão e corrente

  • Medição da distorção harmónica total (THD)

  • Analisador de energia reactiva incorporado com registo (20 registos de 9999 min.)

  • Ligação de condensadores monofásicos, bifásicos e trifásicos e de indutores shunt

  • Capacidade de controlo com alimentação do gerador

  • Max. kvar por fase: 100 kVA, max. para o controlador: 1200 kVA

Especificações técnicas

  • Tensão de funcionamento:100-300 VAC

  • Precisão de medição:corrente/tensão ±0,5%, potência ativa ±1%, potência reactiva ±2%

  • Gama de transformadores de corrente: 5/5 ... 5000/5

  • Ligação:bloco de desconexão rápida

  • Grau de proteção:IP41 (painel frontal), IP20 (traseira)

  • Dimensões do recorte do painel:140 × 140 mm

  • Fixação:fixação fiável em 4 pontos (2 grampos de pressão + 2 grampos de parafuso)

Ecrã e indicação

  • Ecrã LCD gráfico de 2,9 polegadas

  • 17 LEDs para uma monitorização clara dos parâmetros de funcionamento

  • Indicação dos estágios ligados

  • Visualização da potência total e individual, dos harmónicos e do fator de potência

O controlador é adequado para:
Instalações industriais e civis: fábricas, oficinas, quintas, hotéis, estações de serviço, centros comerciais, escolas, hospitais, bancos.

Dados técnicos

Instalação:no painel frontal

Orifício de montagem:140 mm x 140 mm

Tipo de ligação:braçadeira de encaixe

Fixação: ficha para tomada:Fixação: garfo de fixação