Aspiradores / Ventiladores
Instrumentos de Medição
Interruptores Cam / Interruptores de Alternância
Caixas Plásticas Vazias
Aquecimento, ventilação, refrigeração
Luminárias, Lâmpadas LED
Sinalização Óptica e Acústica
Blocos de Terminais
Componentes de Compensação
Transformadores de Corrente para Instrumentos
Controladores de Nível
Conversores de Protocolo
Tomadas, Plugues e Extensões
Reguladores de Temperatura e Sensores
Relé de Proteção
Relés de Tempo
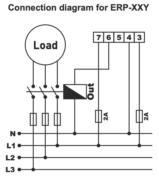
Descrição
Relé monofuncional incorporado ON-DELAY 230 V/AC com 1 contacto de comutação.
O relé temporizado é utilizado para comutar cargas por fases: caldeiras eléctricas, fornos, aquecedores, etc., evitando assim picos de corrente na rede e o disparo de disjuntores devido a grandes sobretensões.
Também pode ser utilizado para coordenar o tempo de ligação de vários dispositivos em máquinas, aparelhos ou outros equipamentos.
Intervalo de tempo:
ERP-03Y - 0-3 s
ERP-12Y - 0-12 s
ERP-30Y - 0-30 s
ERP-60Y - 0-60 s
ERP-03DY - 0-3 min.
ERP-12DY - 0-12 min.
ERP-30DY - 0-30 min.
ERP-60DY - 0-60 min.
Dados técnicos
Contacto de comutação:max. 5A/250VAC
Frequência de funcionamento:50/60 Hz.
Potência de funcionamento:<4VA
Temperatura de funcionamento:-20 °C .... +55 °C
Tipo de ligação:Grampo de encaixe
Fixação:Braçadeira: garfo de fixação
